Распашные противопожарные ворота с глухим полотном
Описание
Характеристики
Конструкция
Дизайн
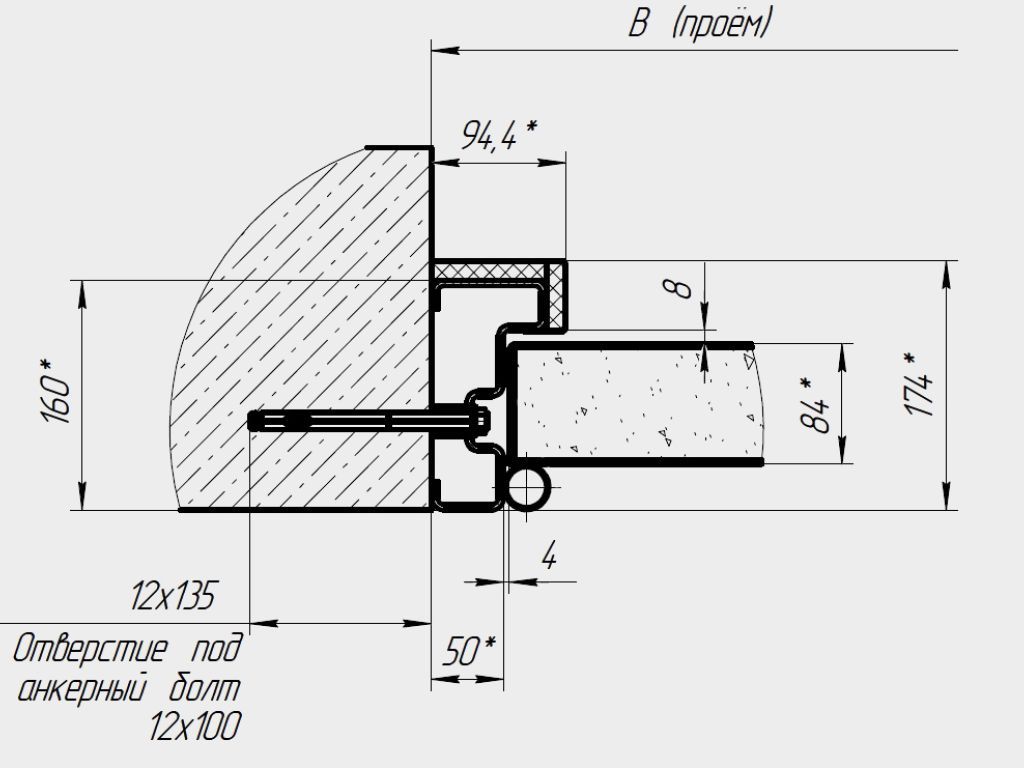
Способы монтажа
Стандартная комплектация
Инструкции и сертификаты
Распашные стальные противопожарные ворота DOORHAN с глухим (сплошным) полотном 1 типа по пределу огнестойкости EI90 (условно обозначенные по СТБ 1394-2003 ВП-1-C-Г-дп-Рп.. / ВП-1-C-Г-дп-Рп.. / ВП-1-C-Г-дп-Рп...) изготавливаются из трёхслойных сэндвич-панелей, облицованных с двух сторон стальным листом толщиной не менее 0,5 мм с утеплителем - плитой минераловатной теплоизоляционной плотностью не менее 130 кг/м3. Толщина полотна ворот не менее 80 мм. Соответствие СТБ и Техническому регламенту EAЭС подтверждается сертификатом соответствия.
Конструкция
1. Полотно ворот 2. Рама ворот 3. Задвижка ригельная 4. Врезная калитка 5. Замок 6. Ручка
Встроенный монтаж
Панели противопожарных распашных ворот состоят из двух стальных листов и минераловатной прослойки между ними. Конструкция панели: 1) гипсокартон; 2) минераловатная прослойка плотностью 130 кг/м³; 3) стальной лист толщиной 0,5 мм; 4) усиливающие профили.
Рама ворот
Врезной замок с ответной частью
Ригельная задвижка
Тип поверхности сэндвич-панели
Стукко
Цвета панелей
RAL 7004 серый (стандартный)
RAL 8014 коричневый
RAL 9003 белый
RAL 5005 синий
RAL 6005 зеленый
RAL 3005 бордовый
RAL 9006 серебристый
RAL 1014 бежевый
RAL 3000 красный
RAL 7016 антрацит
Нестандартный цвет по карте RAL (наценка)
Предел огнестойкости, мин
не менее 90
Приведенное сопротивление теплопередаче, м² *°С/Вт
не менее 0,4–0,8
Вес ворот в сборе, кг
от 230 до 860
Усилие ручного открывания и закрывания, Н, не более
150
Звукоизоляция, дБ, класс (ГОСТ 31174)
до 20
Угол открытия створок, град
170 (без привода)
Угол открытия створок, град
90–120 (с приводом SWING)
Угол открытия створок, град
90 (с приводом ARM)
Ширина проема, мм
от 2000 до 4500
Высота проема, мм
от 2000 до 4500
Притолока, мм
ограничений нет
Пристенки, мм
ограничений нет (открывание до 90°); необходимы пристенки для открывания створки (открывание более 90°)
Цель нашей компании —
предложение широкого ассортимента товаров и услуг и высокое качество обслуживания.
предложение широкого ассортимента товаров и услуг и высокое качество обслуживания.
